

鐵柄電位器 WH148-1技術參數
阻值范圍(Ohms) : 1K~500K
阻值偏差: ±20%
阻值變化特征: B
最高使用電壓:AC150V
額定功率: 0.125W
轉動噪音: <47MV
殘留阻值: Term.1-2 <20Ω
Term 2-3<20Ω
絕緣阻值: More than 100MΩ at DC500V
鐵柄電位器 WH148-1機械特征:
旋轉角度: 300°±5°
旋轉力矩: 20gf.cm~200gf.cm
止檔力矩: 5 kgf.cm Min
軸柄推拉承受強度: 6.0kgf.cm Min.
旋轉壽命:10000cycles
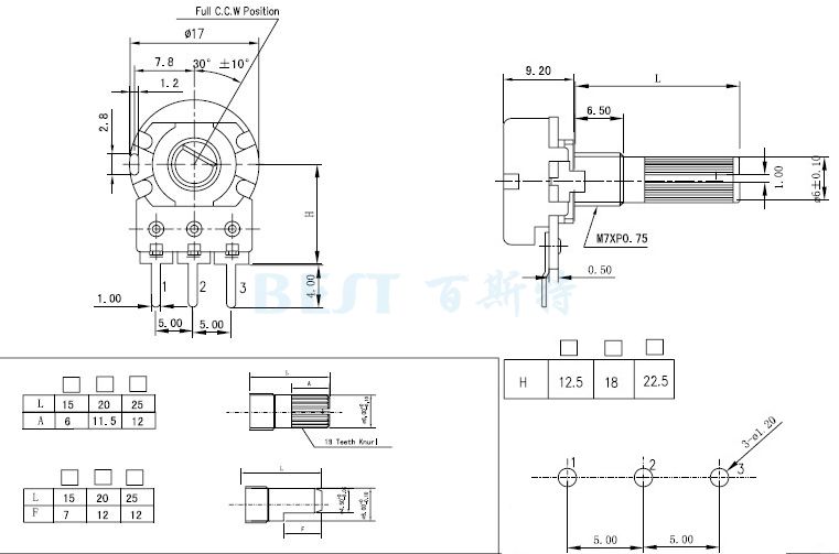
鐵柄電位器 WH148-1參考圖紙
單位:mm


Copyright © 廣東精密龍電子科技有限公司 版權所有 粵ICP備17035144號 粵公網安備44130202001184號
全國服務電話:0755-83205533 傳真:0755-83761155
公司地址:深圳市龍崗區(qū)龍崗大道8288號深圳大運軟件小鎮(zhèn)45棟2樓

